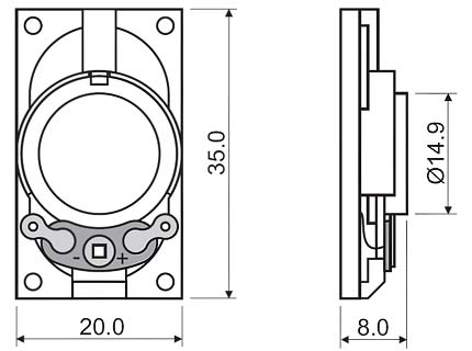
HSP2035A-8 – Описание

|
Модель |
Сопротивление |
Мощность |
Макс. мощность |
Резонансная частота |
Частотный диапазон |
Интенсивность звука при 1 кГц |
Диаметр |
Высота |
Магнит |
|
(Ом) |
(Bт) |
(Bт) |
(Гц) |
(Гц) |
(Дб) |
(мм) |
(мм) |
|
|
|
HSP40A-8 |
8 ± 15% |
0.2 |
0.4 |
800 ± 20% |
fo ~ 3500 |
80 ± 3 |
40 |
14.5 |
|
|
HSP40B-8 |
8 ± 15% |
0.25 |
0.5 |
480 ± 20% |
fо ~ 4000 |
85 ± 3 |
40 |
10 |
да |
|
HSP45A-45 |
45 ± 15% |
0.25 |
0.4 |
700 ± 20% |
fо ~ 3500 |
85 ± 3 |
45 |
8.7 |
да |
|
HSP50A-8 |
8 ± 15% |
0.2 |
0.4 |
360 ± 20% |
fо ~ 3400 |
83 ± 3 |
50 |
17 |
|
|
HSP50B-8 |
8 ± 20% |
0.2 |
0.5 |
450 ± 20% |
fо ~ 4000 |
84 ± 3 |
50 |
17.6 |
|
|
HSP50C-50 |
50 ± 15% |
0.2 |
0.4 |
380 ± 20% |
fо ~ 4000 |
85 ± 3 |
50 |
18 |
|
|
HSP50D-32 |
32 ±15% |
0.4 |
0.6 |
370 ± 20% |
fо ~ 4000 |
85 ± 3 |
50 |
16.9 |
|
|
HSP50E-8 |
8 ±15% |
0.5 |
1 |
360 ± 20% |
fо ~ 3400 |
83 ± 3 |
50 |
18 |
да |
|
HSP50F-8 |
8 ± 15% |
0.5 |
1 |
270 ± 20% |
fo ~ 5000 |
82 ± 3 |
50 |
23.7 |
|
|
HSP50G-50 |
50 ± 20% |
0.25 |
0.4 |
400 ± 20% |
fо ~ 3500 |
85 ± 3 |
50 |
12.4 |
да |
|
HSP50H-25 |
25 ± 15% |
0.2 |
0.4 |
550 ± 20% |
fо ~ 4500 |
84 ± 2 |
50 |
17 |
|
|
HSP50K-8 |
8 ± 15% |
0.3 |
0.5 |
450 ± 20% |
fo ~ 4500 |
83 ± 2 |
50 |
17.8 |
да |
|
HSP52A-8 |
8 ± 15% |
2 |
4 |
200 ± 20% |
fo ~ 13000 |
82 ± 3 |
52 |
33 |
да |
|
HSP57A-8 |
8 ± 15% |
0.3 |
0.6 |
450 ± 20% |
fо ~ 3500 |
85 ± 3 |
57 |
18.6 |
|
|
HSP57B-8 |
8 ± 15% |
0.3 |
0.5 |
400 ± 20% |
fo ~ 3400 |
85 ± 3 |
57 |
18.6 |
|
|
HSP57C-8 |
8 ± 15% |
0.3 |
0.6 |
450 ± 20% |
fo ~ 3500 |
85 ± 3 |
57 |
16.8 |
|
|
HSP57D-8 |
8 ± 20% |
0.25 |
0.5 |
450 ± 20% |
fо ~ 3500 |
85 ± 3 |
57 |
13.4 |
да |
|
HSP57E-8 |
8 ± 15% |
0.25 |
0.5 |
450 ± 20% |
fo ~ 4000 |
85 ± 3 |
57 |
20 |
да |
|
HSP58A-8 |
8 ± 15% |
0.2 |
0.4 |
450 ± 20% |
fo ~ 4000 |
87 ± 3 |
57.8 |
17.9 |
|
|
HSP64A-8 |
8 ± 15% |
0.5 |
1 |
360 ± 20% |
fо ~ 3400 |
86 ± 2 |
63.5 |
19 |
да |
|
HSP66A-8 |
8 ± 15% |
1 |
2 |
280 ± 20% |
fо ~ 3500 |
85 ± 3 |
66 |
20.5 |
|
|
HSP66B-8 |
8 ± 15% |
1 |
2 |
280 ± 20% |
fо ~ 3500 |
85 ± 3 |
65.5 |
15 |
да |
|
HSP77A-8 |
8 ± 15% |
0.5 |
1 |
260 ± 20% |
fo ~ 5000 |
86 ± 2 |
77 |
22.8 |
|
|
HSP77B-8 |
8 ± 15% |
0.5 |
1 |
230 ± 20% |
fо ~ 15000 |
87 ± 2 |
77 |
25.7 |
|
|
HSP77C-8 |
8 ± 15% |
3 |
5 |
170 ± 20% |
fo ~ 15000 |
87 ± 3 |
77 |
32 |
|
| HSP77D-8 | 8 ± 15% | 0.5 | 1 | 260 ± 20% | fo ~ 15000 | 87 ± 2 | 77 | 18.7 | да |
|
HSP77E-8 |
8 ± 15% |
2 |
3 |
200 ± 20% |
fo ~15000 |
87 ± 2 |
77 |
36 |
да |
|
HSP77F-8 |
8 ± 15% |
1 |
1.5 |
260 ± 20% |
fo ~ 12000 |
83 ± 2 |
77 |
25 |
да |
|
HSP77G-8 |
8 ± 15% |
0.5 |
1 |
360 ± 20% |
fо ~ 4000 |
93 ± 3 |
77 |
22 |
|
|
HSP1525A-8 |
8 ± 15% |
0.5 |
1 |
850 ± 20% |
fo ~ 3000 |
77 ± 3 |
15*25 |
5.5 |
да |
|
HSP2035A-8 |
8 ± 15% |
1 |
2 |
600 ± 20% |
fo ~ 5000 |
75 ± 3 |
20*35 |
8 |
да |
|
HSP3040A-8 |
8 ± 15% |
1 |
2 |
450 ± 20% |
fo ~12000 |
78 ± 3 |
28*40 |
11 |
да |
|
HSP4070A-8 |
8 ± 15% |
2 |
5 |
300 ± 20% |
fo ~ 20000 |
83 ± 3 |
41*71 |
27.1 |
да |
|
HSP4070B-8 |
8 ± 15% |
2 |
5 |
300 ± 20% |
fо ~ 20000 |
82 ± 2 |
41*71 |
33.1 |
да |
|
HSP5090A-8 |
8 ± 15% |
3 |
5 |
200 ± 20% |
fo ~12000 |
88 ± 3 |
50.6*90.5 |
33 |
да |
|
HSP5090B-8 |
8 ± 15% |
3 |
5 |
200 ± 20% |
fo ~ 18000 |
84 ± 2 |
50.6*90 |
42.5 |
