HC0905A – Описание
Электромагнитный излучатель звука
Применяется в компьютерной технике, средствах связи, кассовых аппаратах, автомобильной и бытовой электронике.
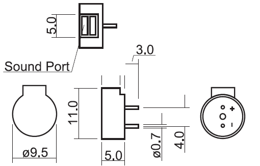
Внешний вид и габаритные размеры:

Технические характеристики серии:
| Модель | Ном. напряж. | Ном. ток | Сопротив. катушки | Интенсив. звука | Частота | Диаметр | Высота |
| (В) | (мА) | (Ом) | (Дб) | (Гц) | (мм) | (мм) | |
| HC0901A | 1.5 | 80 | 5.5 | 80 | 3200 | 9.5 | 5 |
| HC0901B | 1.5 | 80 | 5.5 | 80 | 3200 | 9.5 | 6.8 |
| HC0901C | 1.5 | 80 | 5.5 | 80 | 2731 | 9.5 | 5 |
| HC0901D | 1.5 | 80 | 5.5 | 80 | 2731 | 9.5 | 6.8 |
| HC0901E | 1.5 | 80 | 5.5 | 80 | 2731 | 9.5 | 6.5 |
| HC0901F | 1.5 | 80 | 5.5 | 80 | 3200 | 9.5 | 6.5 |
| HC0901G | 1.5 | 80 | 5.5 | 80 | 3100 | 9.5 | 6.5 |
| HC12G-04A | 1.5 | 70 | 6.5 | 80 | 2048 | 12 | 7.5 |
| HC12G-04B | 1.5 | 70 | 6.5 | 85 | 2731 | 12 | 7.5 |
| HC12G-04C | 1.5 | 15 | 42 | 70 | 2048 | 12 | 7.5 |
| HC12G-04F | 1.5 | 80 | 5 | 85 | 2731 | 12 | 5.7 |
| HC12G-106A | 1.5 | 30 | 16 | 75 | 2048 | 12 | 5.4 |
| HC12G-105B | 1.5 | 15 | 42 | 70 | 2048 | 12 | 5.4 |
| HC12G-105C | 1.5 | 15 | 50 | 70 | 2048 | 12 | 5.4 |
| HC12G-1P | 1.5 | 30 | 16 | 85 | 2048 | 12 | 8.5 |
| HC12G-2P | 1.5 | 15 | 42 | 80 | 2048 | 12 | 8.5 |
| HC12G-3P | 1.5 | 15 | 50 | 80 | 2048 | 12 | 8.5 |
| HCM1201A | 1.5 | 70 | 6.5 | 75 | 2400 | 12 | 9 |
| HCM1201B | 1.5 | 30 | 16 | 85 | 2400 | 12 | 10 |
| HCM1201D-16 | 1.5 | 30 | 16 | 85 | 2048 | 12 | 8.5 |
| HCM1201D-42 | 1.5 | 15 | 42 | 80 | 2048 | 12 | 8.5 |
| HCM1601A | 1.5 | 12 | 27 | 80 | 2048 | 16 | 14 |
| HCM1801 | 1.5 | 50 | 14 | 80 | 2000 ~ 2500 | 18*14 | 10.5 |
| HC0903A | 3 | 80 | 25 | 82 | 3200 | 9.5 | 5 |
| HC0903B | 3 | 80 | 25 | 82 | 3200 | 9.5 | 6.8 |
| HC0903C | 3 | 80 | 25 | 82 | 2731 | 9.5 | 5 |
| HC0903D | 3 | 80 | 25 | 82 | 2731 | 9.5 | 6.8 |
| HC0903E | 3 | 80 | 25 | 82 | 2731 | 9.5 | 6.5 |
| HC0903F | 3 | 80 | 25 | 82 | 3200 | 9.5 | 6.5 |
| HC0903G | 3 | 80 | 25 | 82 | 3100 | 9.5 | 6.5 |
| HC0903K | 3 | 90 | 15 | 85 | 2731 | 9 | 4 |
| HCM1203F | 3 | 60 | 25 | 85 | 2400 | 12 | 6.5 |
| HCM1203D-16 | 3.6 | 100 | 16 | 85 | 2048 | 12 | 8.5 |
| HC0905A | 5 | 80 | 40 | 85 | 3200 | 9.5 | 5 |
| HC0905B | 5 | 80 | 40 | 85 | 3200 | 9.5 | 6.8 |
| HC0905C | 5 | 80 | 40 | 85 | 2731 | 9.5 | 5 |
| HC0905D | 5 | 80 | 40 | 85 | 2731 | 9.5 | 6.8 |
| HC0905E | 5 | 80 | 40 | 85 | 2731 | 9.5 | 6.5 |
| HC0905F | 5 | 80 | 40 | 85 | 3200 | 9.5 | 6.5 |
| HC0905G | 5 | 80 | 40 | 85 | 3100 | 9.5 | 6.5 |
| HCM1205B | 5 | 50 | 40 | 85 | 2400 | 12 | 10 |
| HCM1205F | 5 | 60 | 45 | 85 | 2400 | 12 | 6.5 |
| HCM1206A | 6 | 60 | 45 | 85 | 2400 | 12 | 9 |
| HCM1606A | 6 | 40 | 50 | 85 | 2048 | 16 | 14 |
| HCM1806 | 6 | 40 | 60 | 85 | 2000~2500 | 18*14 | 10.5 |
| HCM2506A | 6 | 80 | 27 | 85 | 730 | 24.7 | 12.5 |
| HCM2506B | 6 | 75 | 36 | 85 | 1000~500 | 24.7 | 12.5 |
| HCM1212A | 12 | 60 | 140 | 85 | 2400 | 12 | 9 |
| HCM1212F | 12 | 60 | 140 | 85 | 2400 | 12 | 6.5 |
| HCM1612A | 12 | 40 | 115 | 85 | 2048 | 16 | 14 |
| HCM1812 | 12 | 40 | 120 | 85 | 2000~500 | 18*14 | 10.5 |
| HCM2512B | 12 | 55 | 120 | 85 | 1000~500 | 24.7 | 12.5 |
HC0905A – Характеристики
- Номинальное напряжение, В: 3
- Номинальный ток, мА: 80
- Громкость, Дб: 85
- Рабочая частота, Гц: 3200
- Диаметр корпуса d, мм: 9.5
- Толщина корпуса h, мм: 5
- Рабочая температура, 0С: -20…+60
- Монтаж: в отверстия
- Конструкция открытого типа, не водостойкая
- Штыревые выводы, провода или разъем
- Без встроенного генератора
